
A system of similar intent was built in Australia during WW2 by Radio Corporation of Victoria (ASTOR), with the addition of FM facilities. This system used the ARl7 receiver and ATl7 transmitter.
Many of the sets had been modified after the war by the then Dept of Civil Aviation for use as monitoring receivers. The mods included work on the front end to improve performance and modification of the audio output stage to allow a low impedance loudspeaker to be used for local monitoring.
When used with a suitable outside antenna, the receiver performs quite well, with very strong aircraft signals being received without difficulty.
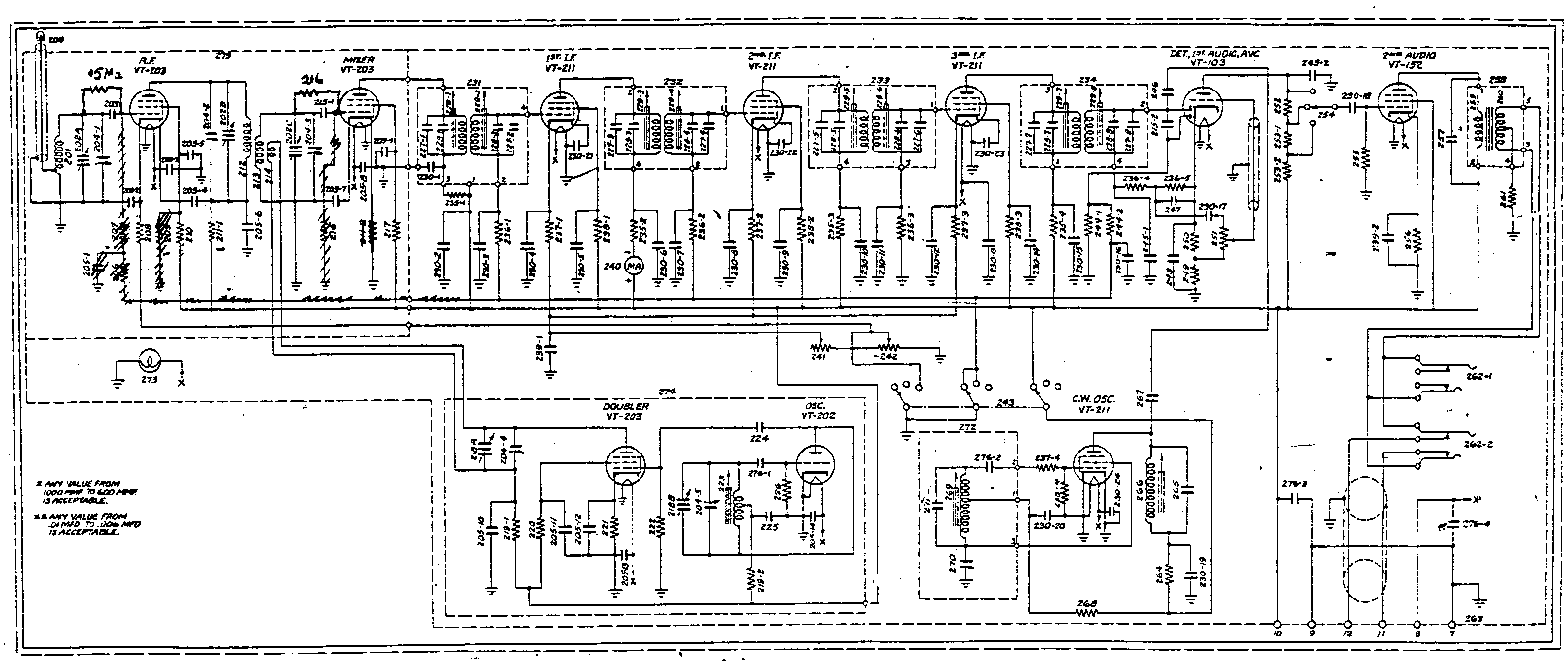
A CW oscillator is provided. Three 6SG7's provide the IF gain, whilst provision is made for local or line audio output.
Rectifier Unit RA-42-A supplies 2l0vdc and 6.3vac to operate the set. Mains input is selectable 117/240vac.
An "S" meter is provided to ascertain the signal strength of incoming aircraft transmissions.
© Ian O'Toole, 2009. Page created: 28/04/03 Last updated: 4/12/2009