Calibrator No 10

Calibrator Crystal No 10

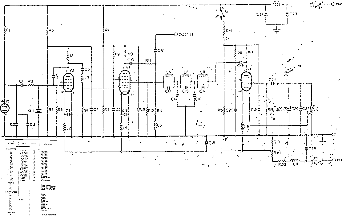
Click to view Circuit in a new window.

General Description

The Calibrator, Crystal No10 is primarily designed for the purpose of setting up Wireless set No 62 accurately on the required spot frequency.

The calibrator functions as a CW wavemeter with continuous coverage of a nominal frequency band of 1.5 - 10.0 Mc/s.

The calibrator power supplies are obtained from the socket engraved XTAL CAL on the Wireless Set 62.



Technical Data

The following facilities are available:

1. Selector switch to 500kc/s position.
A crystal controlled oscillator provides fixed frequency signals of 500kc/s to well beyond 10mc/s.

2. Selector switch in DIAL position.
In addition to the 500kc oscillator, a second and variable oscillator (250-500kc) is brought into circuit. This enables all frequencies between 500kc and 10mc to be produced - these frequencies are indicated on the dial on the front panel.

For identification purposes, the calibrator signal is modulated at about 1 cycle per second by means of a neon tube.

The output from the calibrator is taken from the terminal engraved AERIAL on the front panel.

Power Supply (ex WS62)
         LT 12v dc at 300ma - series heaters - 1.4v valve heaters.
         HT 300v dc at 15ma

NOTE:

Useful output exists on the 2 metre band.

The wire colours in the power lead do not follow convention!!

Beware of selecting the wrong output signal as there are an incredible number of unwanted beats.


Back to Top or Go to Home page.

© Ian O'Toole, 2009. Page created: 28/04/03 Last updated: 4/12/2009