
The system had the capacity to carry 4 sets of information/conversations simultaneously by using audio filters to provide 4 channels each of approximately 4 000 cycles bandwidth. The TRC-1 receivers had local demodulation capacity for testing purposes. This allowed monitoring of the first channel or all channels combined. The first channel was obviously used for technical communications by the link operators.
The receiver was manufactured in 1944 by the Fred Link Company for the U.S. Army Signal Corps.
The restored receiver on display has been crystal locked onto 69.75, the FM audio carrier of the Sydney (NSW - Australia) ABC TV station ABN2.
Each transmitter/receiver combination was supplied with a set of 900 FT243 crystals comprising 300 each for the transmitter and receiver, with an additional 300 replicating the transmitter set, for use in the test alignment oscillator for receiver alignment.
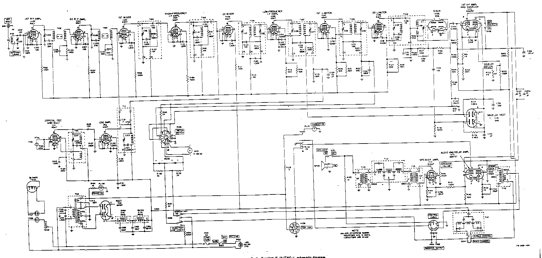
The receiver is a double conversion superhetrodyne, featuring a single rystal oscillator in the range 7.3 - 8.75 Mc/s to drive both mixers. There are 2 RF stages, a variable frequency lst IF ampliffer (32.5 - 47.5 Mc/s) and a 5 Mc/s IF chain leading to the discriminator. Squelch facilities are provided to drive a carrier operated relay. Line and local audio channels are provided, local audio being monitored on an internal speaker.
At least seven different versions of the TRC-1 equipment have been manufactured. The receivers all use octal valves. The construction standard and general finish is to a very high standard.
The receivers operate from 115v ac at 50/60 cps and require a step down transformer if used on 240v a.c.
© Ian O'Toole, 2009. Page created: 28/04/03 Last updated: 11/12/2009